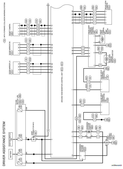
DRIVER ASSISTANCE SYSTEMS
Wiring Diagram











ECU diagnosis information
Basic inspectionB0096 front side air bag satellite sensor RH
Description
DTC B0096 FRONT SATELLITE SENSOR RH
The front side air bag satellite sensor RH is wired to the air bag diagnosis
sensor unit. The air bag diagnosis
sensor unit will monitor the front side air bag satellite sensor RH for internal
failures and its circuits for communication
errors. ...
How to use the [ ] button
For additional information, refer to the separate
Navigation System Owner’s Manual regarding
the “SiriusXM® Travel Link”, and “Traffic” features.
For additional information, refer to “Nissan-
ConnectSM with Mobile Apps” in this section
regarding “My Apps” key.
For ad ...
Power steering
WARNING
If the engine is not running or is turned
off while driving, the power assist for
the steering will not work. Steering will
be harder to operate.
When the power steering warning light
illuminates with the engine running,
there will be no power a ...