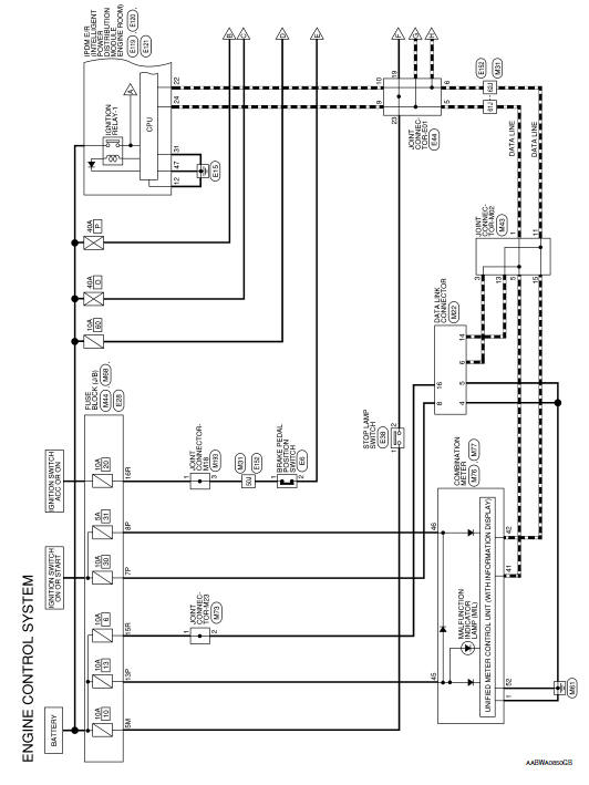
ENGINE CONTROL SYSTEM
Wiring Diagram






















Ecu diagnosis information
Basic inspectionDiagnosis system (BCM) (without intelligent key system)
COMMON ITEM
COMMON ITEM : CONSULT Function (BCM - COMMON ITEM)
APPLICATION ITEM
CONSULT performs the following functions via CAN communication with BCM.
Direct Diagnostic Mode
Description
Ecu Identification
The BCM part number is displayed.
Self Diagnostic ...
Service data and specifications (SDS)
Wheel Bearing
Drive Shaft
Drive Shaft Specifications
*Always check with the Parts Department for the latest parts information.
Dynamic Damper Specifications
Boot Band Specification
...
U1000 CAN COMM circuit
DTC Logic
DTC DETECTION LOGIC
DTC
CONSULT
Detection Condition
Possible Cause
U1000
CAN COMM CIRC
[U1000]
When combination meter is not transmitting or receiving CAN
communication signals for 2 seconds or more.
CAN communication system
D ...