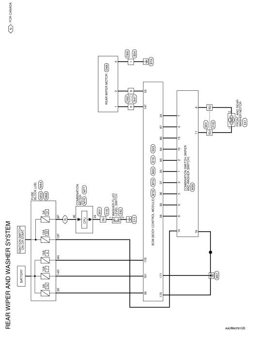
Wiring Diagram





Front wiper and washer system
Basic inspectionDiagnosis and repair work flow
Work Flow
DETAILED FLOW
1.INTERVIEW FROM THE CUSTOMER
Clarify customer complaints before inspection. First of all, perform an
interview utilizing BRC-67, "Diagnostic
Work Sheet" and reproduce the symptom as well as fully understand it. Ask
customer about his/her complaints
careful ...
Symptom diagnosis
THE SPORT MODE INDICATOR LAMP DOES NOT TURN ON
Description
The SPORT mode indicator lamp does not turn ON when the SPORT mode switch is
operated.
Diagnosis Procedure
1.CHECK SPORT MODE INDICATOR LAMP FUNCTION
Perform combination meter self-diagnosis mode and check test order 10. Refer
to MW ...
Oil filter
Removal and Installation
REMOVAL
Remove fender protector side cover (RH). Refer to EXT-28, "FENDER
PROTECTOR : Exploded View".
Drain engine oil. Refer to LU-8, "Draining".
Remove oil filter using suitable tool (A)..
: Front
WARNING:
Be careful ...