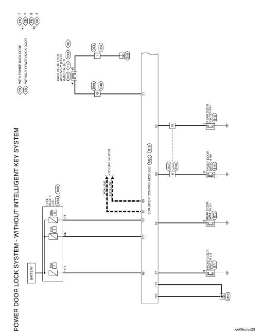
POWER DOOR LOCK SYSTEM
Wiring Diagram









REMOTE KEYLESS ENTRY SYSTEM
Wiring Diagram










ECU diagnosis information
Basic inspectionVDC off switch
Removal and Installation
REMOVAL
Remove the instrument lower panel LH. Refer to IP-14, "INSTRUMENT
PANEL ASSEMBLY : Removal
and Installation".
Release pawls using suitable tool and remove the VDC OFF switch
(2) from the upper switch carrier (1).
: Pawl
INST ...
Component parts
Component Parts Location
Instrument lower panel LH
No.
Component
Function
1
Combination meter
The combination meter transmittes the following signal via CAN
communications
to the TCM.
SPORT mode switch signal
...
Exterior front
Front view camera (if so equipped)
Engine hood
Windshield wiper and washer switch, wiper blades
Windshield-washer fluid
Windshield
Power windows
Door locks, NISSAN Intelligent Key® (if so equipped), NISSAN Jackknife
key (if so equipped), key ...