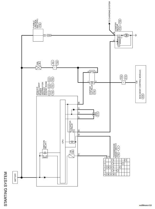
STARTING SYSTEM
Wiring Diagram




System
Basic inspectionC1144 incomplete steering angle sensor adjustment
DTC Logic
DTC DETECTION LOGIC
DTC
Display Item
Malfunction detected condition
Possible causes
C1144
ST ANG SEN SIGNAL
When neutral position adjustment of steering angle
sensor is not complete.
Harness or connector
Steering angle sensor
&n ...
Removal and installation
AUDIO UNIT
Exploded View
Audio unit bracket (LH)
Audio unit
Audio unit bracket (RH)
Removal and Installation
REMOVAL
Disconnect the negative battery terminal. Refer to PG-75, "Removal
and Installation (Battery)".
Remove A/C switch (AUTOMATIC AI ...
Precaution
Precaution for Supplemental Restraint System (SRS) "AIR BAG" and "SEAT
BELT
PRE-TENSIONER"
The Supplemental Restraint System such as “AIR BAG” and “SEAT BELT PRE-TENSIONER”,
used along
with a front seat belt, helps to reduce the risk or severity of injury to the
...